玩球网页版

人工智能领域

联系我们

玩球网页版-玩球(中国)-玩球(中国)

选型热线:

13001738973(王工)

15866635707(王工)

0531-88601217

网址:szakfe.com 

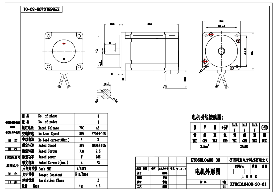
济南直流无刷电机86系列 48V 785W 3700RPM

您的当前位置: 首 页 >> 产品中心 >> 济南直流无刷电机

济南直流无刷电机86系列 48V 785W 3700RPM

详细介绍

KY110BL0415-15----.jpg

KY86BL0408-30-图纸.png

电机型号及参数:

●电机型号:KY86BL0408-30

●额定电压:48V

●额定功率:785W

●额定转速:3000RPM

●额定转矩:2.5N.m

●额定电流:23A

●重量:4.3kg


本文网址://szakfe.com/product/694.html

关键词:

最近浏览: